রেট বর্তমান 80A সরাসরি
MID সার্টিফিকেট
উচ্চ নির্ভুলতা ক্লাস সি
35 মিমি ডিআইএন রেল মাউন্ট করা হয়েছে
পালস আউটপুট
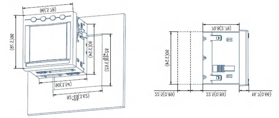
4 মডিউল 72 মিমি প্রস্থ
IoT শক্তি ব্যবস্থাপনা, কারখানা, স্কুল এর জন্য
সত্য RMS পরিমাপ
63তম হারমোনিক্স সহ THD
কে-ফ্যাক্টর এবং ক্রেস্ট ফ্যাক্টর
ভারসাম্যহীনতা এবং ফেজ কোণ
চাহিদা এবং মাল্টি-ট্যারিফ শক্তি
টাইমস্ট্যাম্প সহ সর্বোচ্চ/মিনিট লগ
+86-18702106858 / +86-21-69156352
APM810 হল একটি 0.2S-শ্রেণির থ্রি-ফেজ এসি মাল্টি-ফাংশন প্যানেল মিটার যা শিল্প, বাণিজ্যিক এবং ডেটা-সেন্টার সুইচবোর্ডগুলিতে সুনির্দিষ্ট শক্তি পর্যবেক্ষণ, পাওয়ার-গুণমান ডায়াগনস্টিকস এবং ভাড়াটে সাব-বিলিং-এর জন্য তৈরি। কমপ্যাক্ট 96×96 মিমি ডিআইএন এনক্লোসার একটি রঙিন TFT টাচস্ক্রিন হোস্ট করে যা সত্যিকারের RMS ভোল্টেজকে 690 V, বর্তমান, ফ্রিকোয়েন্সি, সক্রিয়/প্রতিক্রিয়াশীল/আপাত শক্তি, PF, চাহিদা, হারমোনিক্স থেকে 63, THD এবং ফোর-চতুর্থ kWh/kvarh প্রদর্শন করে। ডুয়াল RS485 Modbus-RTU, Ethernet TCP/IP, BACnet/IP, SNMP এবং ঐচ্ছিক Wi-Fi/LoRa বিরামহীন BMS/EMS ইন্টিগ্রেশন প্রদান করে, যখন 4 MB অনবোর্ড মেমরি এনার্জি অডিটের জন্য 12-মাসের লোড প্রোফাইল লগ করে। কনফিগারযোগ্য ওভার/আন্ডার ভোল্টেজ, কারেন্ট, পিএফ এবং হারমোনিক অ্যালার্ম ড্রাইভ রিলে আউটপুট বা স্মার্ট ব্রেকার নিয়ন্ত্রণের জন্য ডিজিটাল ইনপুট; পালস, SOE এবং ট্যারিফ TOU রেজিস্টার ইউটিলিটি AMI, সোলার নেট-মিটারিং এবং EV চার্জিং অ্যাপ্লিকেশন সমর্থন করে। প্রশস্ত 3×57.7–690 V, 0.001–10 একটি সরাসরি বা CT/VT সংযোগ প্লাস টেম্পার-প্রুফ সিলিং যেকোনো স্মার্ট-গ্রিড বা মাইক্রো-গ্রিড স্থাপনার জন্য উপযুক্ত৷
| প্রযুক্তিগত পরামিতি | মান | |||
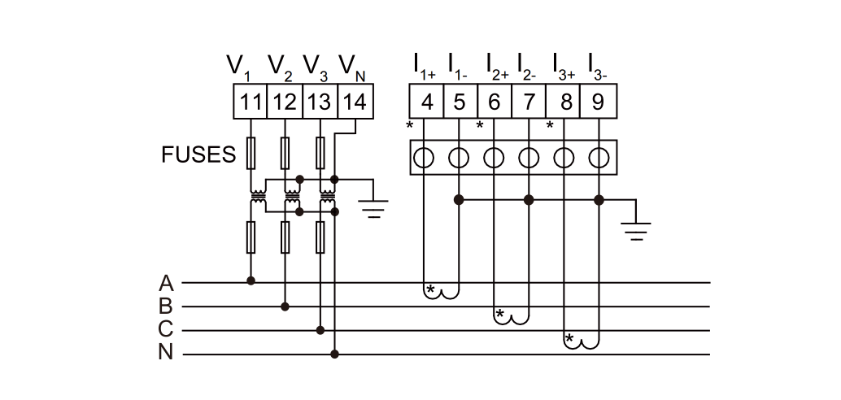
| ইনপুট | সংযোগ | একক ফেজ-2-তার, 3-ফেজ-3-তার, 3-ফেজ-4-তার | ||
| ফ্রিকোয়েন্সি | 45-65Hz | |||
| ভোল্টেজ | রেটিং: | |||
| একক-ফেজ :AC 100V、400V | ||||
| থ্রি-ফেজ: AC 3×57.7V/100V(100V)、3×220V/380V(400V)、3×380V/660V(660V)(শুধুমাত্র 96 সাইজ) | ||||
| ওভারলোড: 1.2 ভাঁজ রেটিং {একটানা): 1 সেকেন্ডের জন্য 2 ভাঁজ রেটিং | ||||
| বিদ্যুৎ খরচ: <0.5VA | ||||
| কারেন্ট | রেটিং: AC IA、5A | |||
| ওভারলোড: 1.2 ভাঁজ রেটিং (একটানা); 1 সেকেন্ডের জন্য 10 গুণ রেটিং | ||||
| বিদ্যুৎ খরচ: <0.5VA | ||||
| আউটপুট | বৈদ্যুতিক শক্তি | আউটপুট mode:open-collector photo-coupler pulse | ||
| পালস ধ্রুবক: 10000imp/kWh(সেটেবল), বিস্তারিত জানার জন্য তারের ডায়াগ্রাম দেখুন; | ||||
| যোগাযোগ | RS485port, Modbus -RTU প্রোটোকল, DLT645 প্রোটোকল (সংস্করণ 07 এবং 97), | |||
| বড রেট 1200 ~ 38400 | ||||
| ফাংশন | ইনপুট পরিবর্তন করা হচ্ছে | শুষ্ক যোগাযোগ ইনপুট, অন্তর্নির্মিত পাওয়ার সাপ্লাই; মডেলটি KA হলে, এটি AC 220V সক্রিয়। | ||
| সুইচিং আউটপুট | আউটপুট mode: Relay normally open contact output | |||
| যোগাযোগের ক্ষমতা: AC 250V/3A, DC 30V/3A | ||||
| এনালগ আউটপুট | 4 - 20mA | |||
| নির্ভুলতা ক্লাস | ফ্রিকোয়েন্সি:0.05Hz,Current、Voltage:0.2 class,Reactive power:l .0class,Reactive Electric energy:l .0class, active power:0.5class,active electric energy: 0.5class,2-31th harmonic measurement:±1% | |||
| পাওয়ার সাপ্লাই | AC/DC 85-265V বা DC24V(±20%)বা DC48V(±20%) | |||
| শক্তি খরচ≤10VA | ||||
| নিরাপত্তা | পাওয়ার ফ্রিকোয়েন্সি ভোল্টেজ সহ্য করে | পাওয়ার সাপ্লাই// সুইচিং আউটপুট// কারেন্ট ইনপুট//ভোল্টেজ ইনপুট এবং ট্রান্সমিটিং// কমিউনিকেশন//পালস আউটপুট// সুইচিং ইনপুট AC 2 kV 1 মিনিটের মধ্যে; | ||
| পাওয়ার সাপ্লাই, স্যুইচিং আউটপুট, কারেন্ট ইনপুট, ভোল্টেজ ইনপুট AC 2 kV 1 মিনিটের মধ্যে; | ||||
| ট্রান্সমিটিং, কমিউনিকেশন, পালস আউটপুট, স্যুইচিং ইনপুট AC 1kV 1 মিনিটের মধ্যে; | ||||
| অন্তরণ প্রতিরোধের | ইনপুট、Output end to machine enclosure >100MΩ | |||
| পরিবেশ | তাপমাত্রা | কাজ: -25°C ~ 65°C সঞ্চয়স্থান: -40°C ~ 80°C | ||
| আর্দ্রতা | ≤93%আরএইচ নন-কন্ডেন্সিং | |||
| উচ্চতা | ≤2500m | |||
পাওয়ার মনিটরিং সলিউশন
২০০৩ সালে প্রতিষ্ঠিত, Acrel Co., Ltd.【স্টক কোড: 300286.SZ】 একটি উচ্চ-প্রযুক্তি সংস্থা যা শক্তি ব্যবস্থাপনা সমাধান এবং বৈদ্যুতিক সুরক্ষায় বিশেষজ্ঞ। সাংহাইতে সদর দপ্তর অবস্থিত, Acrel মাইক্রোগ্রিড শক্তি দক্ষতা এবং বৈদ্যুতিক সুরক্ষার জন্য উদ্ভাবনী এবং টেকসই সমাধান প্রদান করে। ৬০০ টিরও বেশি পেটেন্ট এবং সফ্টওয়্যার কপিরাইট সহ, Acrel বিশ্বব্যাপী ২৮,০০০ টিরও বেশি সিস্টেম সমাধান স্থাপন করেছে, যা একটি বিস্তৃত "ক্লাউড-এজ-এন্ড" শক্তি ইন্টারনেট আর্কিটেকচার তৈরি করেছে।
Acrel Co., Ltd. হল চীন পাইকারি এসি থ্রি ফেজ প্রোগ্রামেবল প্যানেল মাউন্ট করা এনার্জি মিটার নির্মাতারা এবং এসি থ্রি ফেজ প্রোগ্রামেবল প্যানেল মাউন্ট করা এনার্জি মিটার কারখানা. অ্যাক্রেলের সমন্বিত পণ্য ইকোসিস্টেম ক্লাউড প্ল্যাটফর্ম সফ্টওয়্যার থেকে শুরু করে শেষ ব্যবহারকারীর উপাদান পর্যন্ত বিস্তৃত, যা বিদ্যুৎ, পুনর্নবীকরণযোগ্য শক্তি, ডেটা সেন্টার, স্মার্ট ভবন, পরিবহন এবং স্মার্ট শহরগুলির মতো ক্ষেত্রগুলিকে অন্তর্ভুক্ত করে। এই সমাধানগুলি বুদ্ধিমান, রিয়েল-টাইম শক্তি ব্যবস্থাপনা সক্ষম করে, শক্তি সুরক্ষা বৃদ্ধি করে এবং পরিচালনা খরচ হ্রাস করে। আমরা অফার করি এসি থ্রি ফেজ প্রোগ্রামেবল প্যানেল মাউন্ট করা এনার্জি মিটার বিক্রির জন্য.
কোম্পানির উৎপাদন সুবিধা, জিয়াংসু অ্যাক্রেল ইলেকট্রিক ম্যানুফ্যাকচারিং কোং লিমিটেড, কঠোর মানের মান এবং পরিবেশগত নির্দেশিকা মেনে চলে, উন্নত পরীক্ষা কেন্দ্র এবং সীসা-মুক্ত উৎপাদন প্রক্রিয়ার প্রতি প্রতিশ্রুতিবদ্ধ। অ্যাক্রেলের ৫০০ জনেরও বেশি প্রকৌশলীর দল অত্যাধুনিক শক্তি দক্ষতা ব্যবস্থা এবং স্মার্ট শক্তি সমাধান সরবরাহ করে।
দেশীয়ভাবে শক্তিশালী উপস্থিতির সাথে, অ্যাক্রেল আন্তর্জাতিকভাবে সক্রিয়ভাবে সম্প্রসারণ করছে, যার সমর্থিত বিক্রয় ও প্রযুক্তিগত দলের একটি বিশ্বব্যাপী নেটওয়ার্ক এবং একটি ই-কমার্স প্ল্যাটফর্ম যা বিশ্বব্যাপী নিরবচ্ছিন্ন পরিষেবা অভিজ্ঞতা নিশ্চিত করে। অ্যাক্রেল ব্যবসাগুলিকে দক্ষতা উন্নত করতে, খরচ কমাতে এবং টেকসই লক্ষ্য অর্জনে সহায়তা করতে পেরে গর্বিত।
একসাথে, আমরা একটি স্মার্ট, সবুজ ভবিষ্যত গড়ে তুলছি।
অনুমোদিত পেটেন্ট
0+পরিষেবাপ্রাপ্ত গ্রাহকের সংখ্যা
0+মোট কর্মচারী
0+উৎপাদন বেস
0m²সংযোগ করতে স্বাগতম নতুন শক্তি শিল্পের দ্রুত বিকাশের প্রেক্ষাপটে, যেমন পরিস্থিতি বাণিজ্যিক এবং শিল্প শক্তি সঞ্চয় , ব্যাটারি সোয়াপিং স্টেশন , এবং পরিবারের ফটোভোলটাইক-স্টোরেজ সিস্টেম উপর উচ্চ দাবি স্থাপন করেছে নির্ভুলতা, সামঞ্জস্য, এবং বুদ্ধিমত্তা এর বিদ্যুৎ...
আরও বিস্তারিত!শিল্পের পটভূমি এবং প্রয়োগের গুরুত্ব বাসবারগুলি সুইচগিয়ার, ইন্ডাস্ট্রিয়াল ড্রাইভ, পুনর্নবীকরণযোগ্য শক্তি ইনভার্টার, ব্যাটারি এনার্জি স্টোরেজ সিস্টেম (BESS), এবং বৈদ্যুতিক গাড়ি পাওয়ার ইলেকট্রনিক্স থেকে শুরু করে শিল্পে বৈদ্যুতিক বিতরণ ব্যবস্থার মেরুদণ্ড হিসাবে কাজ করে। উচ্চ-কারেন্ট, উচ্চ-শক্...
আরও বিস্তারিত!শিল্পের পটভূমি এবং প্রয়োগের গুরুত্ব বৈদ্যুতিক গাড়ির দ্রুত গ্রহণ (EVs) বহু-ভাড়াটে আবাসিক পরিবেশ যেমন অ্যাপার্টমেন্ট কমপ্লেক্স, মিশ্র-ব্যবহারের বিল্ডিং এবং বহু-পারিবারিক আবাসনে নতুন অবকাঠামোগত প্রয়োজনীয়তাকে চালিত করছে। একক-পারিবারিক বাড়ির বিপরীতে, অ্যাপার্টমেন্টগুলি সাধারণত বৈদ্যুতিক বন্টন...
আরও বিস্তারিত!