রেট বর্তমান 80A সরাসরি
MID সার্টিফিকেট
উচ্চ নির্ভুলতা ক্লাস সি
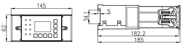
35 মিমি ডিআইএন রেল মাউন্ট করা হয়েছে
পালস আউটপুট
4 মডিউল 72 মিমি প্রস্থ
IoT শক্তি ব্যবস্থাপনা, কারখানা, স্কুল এর জন্য
ইভেন্ট রেকর্ডিং
ফুটো সুরক্ষা
AC380V/690V
প্রোগ্রামেবল DI এবং DO
এনালগ আউটপুট
বিরোধী ঝাঁকুনি ফাংশন
+86-18702106858 / +86-21-69156352
Acrel ARD3M হল একটি ব্যাপক মোটর সুরক্ষা নিয়ামক যা AC380V/690V পর্যন্ত রেটযুক্ত ভোল্টেজ সহ কম-ভোল্টেজ মোটরগুলির জন্য ডিজাইন করা হয়েছে। এতে ইভেন্ট রেকর্ডিং, ফুটো সুরক্ষা এবং নমনীয় নিয়ন্ত্রণের জন্য প্রোগ্রামেবল DI/DO বৈশিষ্ট্য রয়েছে। ডিভাইসটি স্থিতিশীল অপারেশন নিশ্চিত করতে অ্যান্টি-শেকিং কার্যকারিতা সমর্থন করে এবং পর্যবেক্ষণের উদ্দেশ্যে অ্যানালগ আউটপুট অন্তর্ভুক্ত করে। এর শক্তিশালী সুরক্ষা ব্যবস্থা এবং বহুমুখী যোগাযোগের বিকল্পগুলির সাথে, ARD3M নির্ভরযোগ্য মোটর পরিচালনা এবং দক্ষ সিস্টেম ইন্টিগ্রেশন নিশ্চিত করে বিভিন্ন শিল্প অ্যাপ্লিকেশনের জন্য আদর্শ৷
| প্রযুক্তিগত পরামিতি | প্রযুক্তিগত সূচক | |
| অভিভাবক অক্জিলিয়ারী পাওয়ার সাপ্লাই | AC85-265V/DC100-350V | |
| মোটরের কাজের ভোল্টেজ রেট করা হয়েছে | AC220V / 380V, 50Hz / 60Hz | |
| মোটর রেট অপারেটিং বর্তমান | 1 (0.1A-5000A) | ইন্টিগ্রেটেড/স্প্লিট কারেন্ট ট্রান্সফরমার |
| 5 (0.1A-5000A) | ||
| 25 (6.3A-25A) | ||
| 100 (25A-100A) | ||
| 250 (63A-250A) | স্প্লিট কারেন্ট ট্রান্সফরমার | |
| 800 (250A-800A) | ||
| রিলে আউটপুট যোগাযোগ ক্ষমতা | প্রতিবন্ধকতা লোড | AC250V, 10A |
| ইনপুট পরিবর্তন করা হচ্ছে | নিষ্ক্রিয় শুষ্ক যোগাযোগের 8টি চ্যানেল (সক্রিয় DC110V, DC220V, AC220V ইনপুট ঐচ্ছিক হতে পারে) | |
| যোগাযোগ | RS485 Modbus_RTU, Profibus_DP | |
| পরিবেশ | কাজের তাপমাত্রা | -10ºC~55ºC |
| স্টোরেজ তাপমাত্রা | -25ºC~70ºC | |
| আপেক্ষিক আর্দ্রতা | ≤95﹪কোন ঘনীভবন নেই, ক্ষয়কারী গ্যাস নেই | |
| উচ্চতা | ≤2000মি | |
| দূষণের মাত্রা | ক্লাস 3 | |
| সুরক্ষা গ্রেড | প্রধান বডি IP20, স্প্লিট ডিসপ্লে মডিউল IP54 (ক্যাবিনেট প্যানেলে ইনস্টল করা) | |
| ইনস্টলেশন বিভাগ | লেভেল III | |
২০০৩ সালে প্রতিষ্ঠিত, Acrel Co., Ltd.【স্টক কোড: 300286.SZ】 একটি উচ্চ-প্রযুক্তি সংস্থা যা শক্তি ব্যবস্থাপনা সমাধান এবং বৈদ্যুতিক সুরক্ষায় বিশেষজ্ঞ। সাংহাইতে সদর দপ্তর অবস্থিত, Acrel মাইক্রোগ্রিড শক্তি দক্ষতা এবং বৈদ্যুতিক সুরক্ষার জন্য উদ্ভাবনী এবং টেকসই সমাধান প্রদান করে। ৬০০ টিরও বেশি পেটেন্ট এবং সফ্টওয়্যার কপিরাইট সহ, Acrel বিশ্বব্যাপী ২৮,০০০ টিরও বেশি সিস্টেম সমাধান স্থাপন করেছে, যা একটি বিস্তৃত "ক্লাউড-এজ-এন্ড" শক্তি ইন্টারনেট আর্কিটেকচার তৈরি করেছে।
Acrel Co., Ltd. হল চীন পাইকারি ইভেন্ট রেকর্ডিং ফাংশন সহ AC380V/690V লিকেজ প্রোটেকশন মোটর প্রোটেক্টর নির্মাতারা এবং ইভেন্ট রেকর্ডিং ফাংশন সহ AC380V/690V লিকেজ প্রোটেকশন মোটর প্রোটেক্টর কারখানা. অ্যাক্রেলের সমন্বিত পণ্য ইকোসিস্টেম ক্লাউড প্ল্যাটফর্ম সফ্টওয়্যার থেকে শুরু করে শেষ ব্যবহারকারীর উপাদান পর্যন্ত বিস্তৃত, যা বিদ্যুৎ, পুনর্নবীকরণযোগ্য শক্তি, ডেটা সেন্টার, স্মার্ট ভবন, পরিবহন এবং স্মার্ট শহরগুলির মতো ক্ষেত্রগুলিকে অন্তর্ভুক্ত করে। এই সমাধানগুলি বুদ্ধিমান, রিয়েল-টাইম শক্তি ব্যবস্থাপনা সক্ষম করে, শক্তি সুরক্ষা বৃদ্ধি করে এবং পরিচালনা খরচ হ্রাস করে। আমরা অফার করি ইভেন্ট রেকর্ডিং ফাংশন সহ AC380V/690V লিকেজ প্রোটেকশন মোটর প্রোটেক্টর বিক্রির জন্য.
কোম্পানির উৎপাদন সুবিধা, জিয়াংসু অ্যাক্রেল ইলেকট্রিক ম্যানুফ্যাকচারিং কোং লিমিটেড, কঠোর মানের মান এবং পরিবেশগত নির্দেশিকা মেনে চলে, উন্নত পরীক্ষা কেন্দ্র এবং সীসা-মুক্ত উৎপাদন প্রক্রিয়ার প্রতি প্রতিশ্রুতিবদ্ধ। অ্যাক্রেলের ৫০০ জনেরও বেশি প্রকৌশলীর দল অত্যাধুনিক শক্তি দক্ষতা ব্যবস্থা এবং স্মার্ট শক্তি সমাধান সরবরাহ করে।
দেশীয়ভাবে শক্তিশালী উপস্থিতির সাথে, অ্যাক্রেল আন্তর্জাতিকভাবে সক্রিয়ভাবে সম্প্রসারণ করছে, যার সমর্থিত বিক্রয় ও প্রযুক্তিগত দলের একটি বিশ্বব্যাপী নেটওয়ার্ক এবং একটি ই-কমার্স প্ল্যাটফর্ম যা বিশ্বব্যাপী নিরবচ্ছিন্ন পরিষেবা অভিজ্ঞতা নিশ্চিত করে। অ্যাক্রেল ব্যবসাগুলিকে দক্ষতা উন্নত করতে, খরচ কমাতে এবং টেকসই লক্ষ্য অর্জনে সহায়তা করতে পেরে গর্বিত।
একসাথে, আমরা একটি স্মার্ট, সবুজ ভবিষ্যত গড়ে তুলছি।
অনুমোদিত পেটেন্ট
0+পরিষেবাপ্রাপ্ত গ্রাহকের সংখ্যা
0+মোট কর্মচারী
0+উৎপাদন বেস
0m²সংযোগ করতে স্বাগতম নতুন শক্তি শিল্পের দ্রুত বিকাশের প্রেক্ষাপটে, যেমন পরিস্থিতি বাণিজ্যিক এবং শিল্প শক্তি সঞ্চয় , ব্যাটারি সোয়াপিং স্টেশন , এবং পরিবারের ফটোভোলটাইক-স্টোরেজ সিস্টেম উপর উচ্চ দাবি স্থাপন করেছে নির্ভুলতা, সামঞ্জস্য, এবং বুদ্ধিমত্তা এর বিদ্যুৎ...
আরও বিস্তারিত!শিল্পের পটভূমি এবং প্রয়োগের গুরুত্ব বাসবারগুলি সুইচগিয়ার, ইন্ডাস্ট্রিয়াল ড্রাইভ, পুনর্নবীকরণযোগ্য শক্তি ইনভার্টার, ব্যাটারি এনার্জি স্টোরেজ সিস্টেম (BESS), এবং বৈদ্যুতিক গাড়ি পাওয়ার ইলেকট্রনিক্স থেকে শুরু করে শিল্পে বৈদ্যুতিক বিতরণ ব্যবস্থার মেরুদণ্ড হিসাবে কাজ করে। উচ্চ-কারেন্ট, উচ্চ-শক্...
আরও বিস্তারিত!শিল্পের পটভূমি এবং প্রয়োগের গুরুত্ব বৈদ্যুতিক গাড়ির দ্রুত গ্রহণ (EVs) বহু-ভাড়াটে আবাসিক পরিবেশ যেমন অ্যাপার্টমেন্ট কমপ্লেক্স, মিশ্র-ব্যবহারের বিল্ডিং এবং বহু-পারিবারিক আবাসনে নতুন অবকাঠামোগত প্রয়োজনীয়তাকে চালিত করছে। একক-পারিবারিক বাড়ির বিপরীতে, অ্যাপার্টমেন্টগুলি সাধারণত বৈদ্যুতিক বন্টন...
আরও বিস্তারিত!