মালয়েশিয়ার হাসপাতালগুলিতে একরেল মেডিকেল আইটি সিস্টেমের প্রয়োগ
বাড়ি / প্রকল্প / হাসপাতাল / মালয়েশিয়ার হাসপাতালগুলিতে একরেল মেডিকেল আইটি সিস্টেমের প্রয়োগ

মালয়েশিয়ার হাসপাতালগুলিতে একরেল মেডিকেল আইটি সিস্টেমের প্রয়োগ

হাসপাতালগুলিতে ইলেকট্রনিক চিকিৎসা সরঞ্জামের ক্রমবর্ধমান ব্যবহারের সাথে, কারেন্টের ফুটো হওয়ার ঝুঁকি রোগীর নিরাপত্তার জন্য উল্লেখযোগ্য হুমকি সৃষ্টি করে, বিশেষ করে গুরুতর যত্নের পরিবেশে। অস্ত্রোপচার পদ্ধতি বা এনেস্থেশিয়ার সময়, রোগীরা সরাসরি বিভিন্ন ইলেক্ট্রোড এবং সেন্সরের সাথে সংযুক্ত থাকে। এমনকি ন্যূনতম ফুটো স্রোত বৈদ্যুতিক শক সৃষ্টি করতে পারে যখন চিকিৎসা ডিভাইসগুলি মানুষের শরীরের সাথে সরাসরি যোগাযোগ করে।

উপরন্তু, গুরুতর অসুস্থ রোগীদের জন্য জীবন-সহায়ক সরঞ্জামগুলি অবশ্যই নিরবচ্ছিন্ন অপারেশন বজায় রাখতে হবে। কোনো বিদ্যুৎ বিঘ্ন অবিলম্বে রোগীর জীবন বিপন্ন হতে পারে. অতএব, হাসপাতালের বৈদ্যুতিক সিস্টেমগুলিকে অবশ্যই নির্দিষ্ট এলাকায় আইটি পাওয়ার সাপ্লাই সিস্টেমগুলি প্রয়োগ করে জাতীয় মানগুলি কঠোরভাবে মেনে চলতে হবে।

এই কেস স্টাডিটি মালয়েশিয়ায় অ্যাক্রেলের মেডিকেল আইসোলেটেড পাওয়ার সাপ্লাই সিস্টেমের প্রয়োগ প্রদর্শন করে, এর বৈশিষ্ট্যগুলি হল:

মেডিকেল আইটি পাওয়ার ডিস্ট্রিবিউশন

নিরোধক পর্যবেক্ষণ ডিভাইস

ত্রুটি অবস্থান সিস্টেম

আমাদের সাথে যোগাযোগ করুন
  • প্রকল্প ওভারভিউ
  • প্রকল্প ওভারভিউ
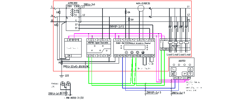
    মালয়েশিয়া I.E.D SELANGOR DARUL EHSAN-এ অবস্থিত, প্রকল্পটি প্রধানত মালয়েশিয়ার দ্বীপ হাসপাতালে ব্যবহৃত হয়, পণ্যগুলি 3 সেট হাসপাতালের বিচ্ছিন্ন পাওয়ার সিস্টেমের জন্য 12 সার্কিট ইনসুলেশন ফল্ট অবস্থানের জন্য ব্যবহৃত হয়, সম্পর্কিত পণ্যগুলি হল ইনসুলেশন মনিটর ডিভাইস AIM-M200, সিগন্যাল টেস্ট জেনারেটর ASGID alarm150, 150 সেন্ট্রাল ইনসুলেশন যন্ত্র। লোকেটার AIL150-8, AIL150-4 এবং লিকেজ কারেন্ট ট্রান্সফরমার AKH-0.66P26।


    মেডিকেল আইটি সিস্টেম ভূমিকা
    ACREL মেডিকেল আইটি সিস্টেম ইনসুলেশন মনিটরিং ডিভাইস এবং ফল্ট লোকেশন সিস্টেম হাসপাতালের অপারেটিং রুম, আইসিইউ (সিসিইউ) এবং অন্যান্য গুরুত্বপূর্ণ স্থানগুলির জন্য উপযুক্ত, এবং এই ধরনের অবিচ্ছিন্ন, নির্ভরযোগ্য শক্তি সমাধানগুলির জন্য একটি নিরাপদ স্থান প্রদান করতে পারে।


    মেডিকেল অবস্থানের জন্য পাওয়ার সাপ্লাই সলিউশন
    ICU, CCU ওয়ার্ড ডিস্ট্রিবিউশন সলিউশন (GGF-I8G আইসোলেট বৈদ্যুতিক ক্যাবিনেট সিস্টেম ডায়াগ্রাম, উদাহরণস্বরূপ)


    ফল্ট অবস্থান ফাংশন ছাড়া বিকল্প I


    ফল্ট অবস্থান ফাংশন সহ বিকল্প II

    দ্রষ্টব্য: নিবিড় পরিচর্যা ইউনিটের পাওয়ার ডিস্ট্রিবিউশন সলিউশনে, নার্সদের স্টেশনে AID সিরিজের সেন্ট্রালাইজড অ্যালার্ম এবং ডিসপ্লে ডিভাইস ইনস্টল করা উচিত, নার্সদের স্টেশনের হাসপাতালের কর্মীরা প্রতিটি বিচ্ছিন্ন পাওয়ার সিস্টেমের অপারেটিং অবস্থা পর্যবেক্ষণ করে।


    অপারেটিং রুম ডিস্ট্রিবিউশন সলিউশন (GGF-O8G আইসোলেট বৈদ্যুতিক ক্যাবিনেট সিস্টেম ডায়াগ্রাম, উদাহরণস্বরূপ)

    ইনসুলেশন ফল্ট অবস্থান ফাংশন ছাড়া বিকল্প I


    ইনসুলেশন ফল্ট অবস্থান ফাংশন সঙ্গে বিকল্প II

    1. অপারেটিং রুমে পাওয়ার ডিস্ট্রিবিউশন সলিউশনে, এআইডি সিরিজের এক্সটার্নাল অ্যালার্ম এবং ডিসপ্লে ডিভাইসগুলি অপারেটিং রুমের ভিতরে ইন্টেলিজেন্স প্যানেলে বা ইন্টেলিজেন্স প্যানেলের পাশে (ওয়াল-মাউন্ট করা ইনস্টলেশন) ইনস্টল করা উচিত। অস্ত্রোপচারের সময়, চিকিৎসা কর্মীরা বিচ্ছিন্ন বিদ্যুৎ ব্যবস্থার স্বাস্থ্য পর্যবেক্ষণ করে।

    2. ইনসুলেশন ফল্ট লোকেশন ফাংশন সহ স্কিমে, যদি অবস্থিত চ্যানেলের সংখ্যা আটের বেশি হয় তবে AIL150 লোকেটারের দুটি সেট ব্যবহার করা যেতে পারে। সমন্বয় AIL150-8 এবং AIL150-4 (12টি চ্যানেল পর্যন্ত), অথবা AIL150 -8 এবং AIL150-8 (16টি চ্যানেল পর্যন্ত) হতে পারে।

    3. সাধারণ তারের ডায়াগ্রাম






    4. 7-পিস মেডিকেল আইটি পরিচিতি

    পণ্যের নাম এবং প্রকার পণ্যের ছবি বর্ণনা
    AITR সিরিজের মেডিকেল আইসোলেশন ট্রান্সফরমার AITR সিরিজ আইসোলেশন ট্রান্সফরমার বিশেষভাবে মেডিকেল আইটি সিস্টেমে ব্যবহৃত হয়। উইন্ডিংগুলিকে ডাবল ইনসুলেশন দিয়ে চিকিত্সা করা হয় এবং একটি ইলেক্ট্রোস্ট্যাটিক শিল্ডিং লেয়ার থাকে, যা উইন্ডিংগুলির মধ্যে ইলেক্ট্রোম্যাগনেটিক হস্তক্ষেপ হ্রাস করে। PT100 তাপমাত্রা সেন্সর ট্রান্সফরমারের তাপমাত্রা নিরীক্ষণের জন্য তারের ব্যাগে ইনস্টল করা আছে। পুরো শরীরকে ভ্যাকুয়াম ইনভেসন পেইন্ট দিয়ে চিকিত্সা করা হয়, যা যান্ত্রিক শক্তি এবং জারা প্রতিরোধ ক্ষমতা বাড়ায়। পণ্যটির তাপমাত্রা বৃদ্ধির কার্যক্ষমতা এবং খুব কম শব্দ রয়েছে।
    AIM-M200 মেডিকেল ইন্টেলিজেন্ট ইনসুলেশন মনিটরিং যন্ত্র AIM-M200 মেডিক্যাল ইটেলিজেন্ট ইনসুলেশন মনিটরিং ইন্সট্রুমেন্ট উন্নত মাইক্রোকন্ট্রোলার প্রযুক্তি গ্রহণ করে, যার উচ্চ ইন্টিগ্রেশন, কমপ্যাক্ট সাইজ, সুবিধাজনক ইনস্টলেশন এবং একের মধ্যে ইটেলিজেন্স, ডিজিটালাইজেশন এবং নেটওয়ার্কিং একত্রিত হয়। এটি ক্লাস 2 মেডিকেল অবস্থান যেমন অপারেটিং রুম এবং নিবিড় পরিচর্যা ইউনিটগুলিতে বিচ্ছিন্ন পাওয়ার সিস্টেমগুলির নিরোধক নিরীক্ষণের জন্য আদর্শ নির্বাচন।
    AKH-0.66P26 বর্তমান ট্রান্সফরমার AKH-O 66P26 টাইপ কারেন্ট ট্রান্সফরমার হল প্রতিরক্ষামূলক বর্তমান ট্রান্সফরমার যা AIM-M200 ইনসুলেশন মনিটরকে সমর্থন করে, যার মধ্যে সর্বাধিক পরিমাপযোগ্য কারেন্ট হল 60A এবং রূপান্তর অনুপাত হল 2000:1। বর্তমান ট্রান্সফরমারটি স্ক্রু করে ক্যাবিনেটের ভিতরে সরাসরি স্থির করা হয় এবং সেকেন্ডারি সাইড টার্মিনাল দ্বারা পরিচালিত হয়, যা ইনস্টল এবং ব্যবহার করা সুবিধাজনক।
    AIL150-4/AIL150-8 নিরোধক ফল্ট লোকেটার AIL150-4/AIL150-8 নিরোধক ফল্ট লোকেটার adopts high sensitivity transformer combined with a high precision signal detecting circuit, which detects the signal imported into the system from the ASG150 test signal generator and accurately locates the circuits which have insulation faults. AIL150-4 insulation fault locator can locate the insulation faults of 4 circuits, and the AIL150-8 insulation fault locator can locate the insulation faults of 8 circuits.
    ASG150 পরীক্ষা সংকেত জেনারেটর ASG150 পরীক্ষা সংকেত জেনারেটর একটি 32-বিট মাইক্রোপ্রসেসর চিপ এবং উচ্চ-নির্ভুলতা সংকেত প্রজন্মের সার্কিট গ্রহণ করে নির্দিষ্ট পরীক্ষার সংকেত তৈরি করতে। যখন নিরীক্ষণ করা আইটি সিস্টেমে নিরোধক ত্রুটি থাকে, তখন এটি শুরু করতে পারে এবং সময়মতো একটি পরীক্ষা সংকেত তৈরি করতে পারে, ইনসুলেশন ফল্ট লোকেটোর সাথে কাজ করে ইনসুলেশন ফল্ট অবস্থান বুঝতে পারে।
    HDR-60-24 পাওয়ার মডিউল HDR-60-24 সরাসরি-কারেন্ট পাওয়ার সাপ্লাই AIM-M200 এর জন্য একই সাথে 24V DC পাওয়ার সাপ্লাই প্রদান করতে পারে
    মেডিকেল ইন্টেলিজেন্ট ইনসুলেশন মনিটরিং ইন্সট্রুমেন্ট, ASG150 টেস্ট সিগন্যাল জেনারেটর, AIL150 সিরিজ ইনসুলেশন ফল্ট লোকেটার এবং AID150 সেন্ট্রালাইজড অ্যালার্ম এবং ডিসপ্লে ইন্সট্রুমেন্ট পাওয়ার সাপ্লাই উচ্চ ক্ষমতা, স্থিতিশীল ভোল্টেজ আউটপুট এবং সুবিধাজনক ইনস্টলেশন, যা উপরে উল্লিখিত পাওয়ার মিটারের পাওয়ার-সাপ্লাই প্রয়োজনীয়তা মেটাতে পারে এবং উল্লিখিত পাওয়ার সাপ্লাই প্রোডাক্টের সুপারিশ করা হয়।
    AID1 50 কেন্দ্রীভূত অ্যালার্ম এবং প্রদর্শন যন্ত্র AID150 সেন্ট্রালাইজড অ্যালার্ম এবং ডিসপ্লে ইন্সট্রুমেন্ট LCD লিকুইড ক্রিস্টাল ডিসপ্লে গ্রহণ করে এবং RS485 কমিউনিকেশন ইন্টারফেসের মাধ্যমে AIM-M200 মেডিকেল ইন্টেলিজেন্ট ইনসুলেশন মনিটরিং ইন্সট্রুমেন্টের সাথে ডেটা এক্সচেঞ্জ অর্জন করে, যা AIM-M200 মেডিকেল ইন্টেলিজেন্ট ইনসুলেশন মনিটরিং ইন্সট্রুমেন্টের মাল্টি-চ্যানেল ডেটা রিয়েল-টাইম মনিটর করতে পারে।

    অন-সাইট ফটো



Acrel Co., Ltd.