সংযোগ করতে স্বাগতম
নতুন শক্তি শিল্পের দ্রুত বিকাশের প্রেক্ষাপটে, যেমন পরিস্থিতি বাণিজ্যিক এবং শিল্প শক্তি সঞ্চয় , ব্যাটারি সোয়াপিং স্টেশন , এবং পরিবারের ফটোভোলটাইক-স্টোরেজ সিস্টেম উপর উচ্চ দাবি স্থাপন করেছে নির্ভুলতা, সামঞ্জস্য, এবং বুদ্ধিমত্তা এর বিদ্যুৎ পরিমাপ . Acrel ইলেকট্রিক নতুন এনার্জি সাপোর্টিং ইন্সট্রুমেন্টেশন সলিউশনের সম্পূর্ণ পরিসর তৈরি করেছে। এই সমাধানগুলি বিভিন্ন অ্যাপ্লিকেশন পরিস্থিতির মূল প্রয়োজনীয়তার জন্য কাস্টম-ডিজাইন করা হয়েছে, কম-বিদ্যুতের গৃহস্থালী অ্যাপ্লিকেশন থেকে বৃহৎ-স্কেল শিল্প এবং বাণিজ্যিক শক্তি সঞ্চয় ব্যবস্থায় মিটারিং চাহিদাগুলি কভার করে। সমাধানগুলি স্থিতিশীল অপারেশন এবং নতুন শক্তি সিস্টেমের সুনির্দিষ্ট পরিমাপের জন্য নির্ভরযোগ্য সহায়তা প্রদান করে।
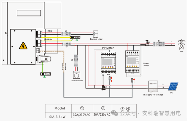
আবাসিক ফটোভোলটাইক এবং শক্তি সঞ্চয়স্থান নতুন শক্তির জনপ্রিয়করণের জন্য একটি গুরুত্বপূর্ণ প্রয়োগের দৃশ্যের প্রতিনিধিত্ব করে। Acrel বিভিন্ন উপ-পরিস্থিতিকে লক্ষ্য করে অত্যন্ত সামঞ্জস্যপূর্ণ যন্ত্র পণ্য তৈরি করেছে, সহ এনার্জি স্টোরেজ ইনভার্টার ম্যাচিং, হাইব্রিড ইনভার্টার ইন্টিগ্রেশন, ব্যালকনি ফটোভোলটাইক স্টোরেজ সিস্টেম এবং মাইক্রো-এনার্জি স্টোরেজ পয়েন্ট-টু-পয়েন্ট স্বচ্ছ ট্রান্সমিশন সিস্টেম . এই পণ্য ভারসাম্য একীকরণ, পরিমাপ গতি, এবং যোগাযোগ নমনীয়তা।
ফটোভোলটাইক এবং এনার্জি স্টোরেজ সিস্টেমে মাল্টি-ব্র্যান্ড সামঞ্জস্যের বাজারের বৈশিষ্ট্যের প্রতিক্রিয়ায়, পেশাদার এজেন্টদের জন্য অনিশ্চিত ইনস্টলেশন অবস্থার জন্য RS485 CT কনফিগারেশন গৃহীত হয়। যন্ত্রগুলি CE-MID, UL, এবং RCM আন্তর্জাতিক শংসাপত্রের সাথে প্রত্যয়িত। 50ms উচ্চ-গতির ডেটা রিফ্রেশ রেট সহ, ডিভাইসগুলি ফেজ সিকোয়েন্স সামঞ্জস্যকে সমর্থন করে, সঠিক মিটারিং এবং শক্তিশালী সামঞ্জস্য নিশ্চিত করে।
অল-ইন-ওয়ান এনার্জি স্টোরেজ ইনভার্টার ডিজাইনের উচ্চ ইন্টিগ্রেশন প্রয়োজনীয়তা এবং রেট্রোফিট পরিস্থিতিতে ডুয়াল-চ্যানেল মিটারিং প্রয়োজনীয়তার জন্য, যন্ত্রগুলি ভোল্টেজ এবং বর্তমান দ্রুত-প্লাগ টার্মিনাল এবং RJ45 যোগাযোগ পোর্টগুলির সাথে সজ্জিত। তারা 50ms ডেটা রিফ্রেশ রেট এবং ফেজ সিকোয়েন্স সামঞ্জস্যকে সমর্থন করে, একটি ব্যাপক সার্টিফিকেশন সিস্টেমের সাথে, তাদের রেট্রোফিট এবং নতুন ইনস্টলেশন উভয় পরিস্থিতির জন্য উপযুক্ত করে তোলে।
ব্যালকনিতে কম-পাওয়ার ডিস্ট্রিবিউটেড ফটোভোলটাইক এবং এনার্জি স্টোরেজ সিস্টেমের জন্য বিশেষভাবে ডিজাইন করা হয়েছে, এই সমাধানটি সুবিধাজনক ইনস্টলেশন এবং কমিশনিংয়ের সাথে উচ্চ একীকরণের ভারসাম্য বজায় রাখে। এছাড়াও ডুয়াল-চ্যানেল মিটারিং এবং দ্রুত-প্লাগ টার্মিনাল , এটা সমর্থন করে ওয়াইফাই, ওয়াইফাই হ্যালো, এবং ব্লুটুথ ডিবাগিং ফাংশন . ওয়্যারলেস ডিজাইন উল্লেখযোগ্যভাবে ছোট আকারের পরিস্থিতিতে ইনস্টলেশন সহজ করে, এবং পণ্যটি CE-RED সার্টিফিকেশন ধারণ করে।
সম্বোধন করতে দুর্বল অনুপ্রবেশ এবং অস্থির নেটওয়ার্ক কর্মক্ষমতা এর traditional WiFi in micro-energy storage scenarios, ওয়াইফাই হ্যালো (সাব-1GHz) যোগাযোগ প্রযুক্তি গৃহীত হয়। ঐতিহ্যগত ওয়াইফাইয়ের সাথে তুলনা করে, এটি শক্তিশালী অনুপ্রবেশ ক্ষমতা এবং দীর্ঘ ট্রান্সমিশন দূরত্ব প্রদান করে। LoRa যোগাযোগের সাথে তুলনা করে, এটি উচ্চতর ট্রান্সমিশন গতি এবং ভাল স্থিতিশীলতা প্রদান করে। যন্ত্রটি স্থানীয়ভাবে এই প্রযুক্তিকে সমর্থন করে, ওয়্যারলেস যোগাযোগ সক্ষম করার জন্য ইনভার্টার পাশে শুধুমাত্র একটি অতিরিক্ত AP প্রয়োজন। এটি এক-থেকে-এক এবং এক-থেকে-অনেক দ্রুত নেটওয়ার্ক কনফিগারেশনকে সমর্থন করে, এটিকে পরিবারের মাল্টি-ইনভার্টার এবং ব্যালকনি মাইক্রো-স্টোরেজ সিস্টেমের জন্য উপযুক্ত করে তোলে।
শিল্প এবং বাণিজ্যিক শক্তি সঞ্চয়স্থান, বড় আকারের শক্তি সঞ্চয়স্থান, এবং ব্যাটারি অদলবদল স্টেশনগুলির পরিমাপের নির্ভুলতা, রিফ্রেশ গতি, ইনস্টলেশন নমনীয়তা এবং নিয়ন্ত্রক সম্মতিতে কঠোর মান প্রয়োজন। Acrel এম্বেডেড এবং DIN-রেল মাউন্ট করা যন্ত্র পণ্য যেমন মূল প্রয়োজনীয়তার উপর ভিত্তি করে প্রদান করে মাল্টি-ট্যারিফ বিলিং, চাহিদা মিটারিং, অ্যান্টি-রিভার্স পাওয়ার ফ্লো সুরক্ষা এবং বেতার যোগাযোগ , নতুন ইনস্টলেশন এবং রেট্রোফিট অ্যাপ্লিকেশন উভয় সমর্থন করে।
APM521 বিদেশী CSA (UL) সার্টিফিকেশন পেয়েছে এবং 0.2s ক্লাস (Class D) পর্যন্ত সক্রিয় শক্তি পরিমাপের নির্ভুলতা প্রদান করে। এটি রিয়েল-টাইম বৈদ্যুতিক পরামিতিগুলির জন্য SD কার্ড স্টোরেজ দিয়ে সজ্জিত। মডুলার প্রধান ইউনিট সম্প্রসারণ মডিউল ডিজাইন এমবেডেড এবং ডিআইএন-রেল মাউন্টিং উভয়কেই সমর্থন করে, নতুন প্রকল্পগুলিতে বৈচিত্রপূর্ণ ইনস্টলেশন প্রয়োজনীয়তা পূরণ করে।
এটি বহিরাগত সিটি সহ একটি 0.5S ক্লাস মিটার, বড় গ্রাহক অ্যাপ্লিকেশনগুলিতে ব্যাপকভাবে ব্যবহৃত হয়। এটি সেকেন্ডারি CT রেট্রোফিট ওয়্যারিং সমর্থন করে এবং বিদ্যমান বর্তমান ট্রান্সফরমারগুলির সেকেন্ডারি সাইড কারেন্টকে সরাসরি ক্ল্যাম্প করতে পারে, এটিকে মিটার রেট্রোফিট প্রকল্পের জন্য অত্যন্ত উপযুক্ত করে তোলে। পণ্যটিতে CPA, CE, এবং UL সার্টিফিকেশন রয়েছে এবং উচ্চ-পারফরম্যান্স অ্যাপ্লিকেশন প্রয়োজনীয়তা পূরণের জন্য একটি উচ্চ-গতির রিফ্রেশ সংস্করণে কাস্টমাইজ করা যেতে পারে।
উপরন্তু, শিল্প এবং বাণিজ্যিক সমাধান ওভারলোড সুরক্ষা ফাংশন সংহত করে। সিস্টেমটি উচ্চ- এবং নিম্ন-ভোল্টেজের পার্শ্ব শক্তি সঞ্চয়ের পরিস্থিতিগুলির সাথে সংযুক্ত হতে পারে এবং বিভিন্ন শুল্ক কাঠামোর অধীনে সঠিক বিদ্যুত মিটারিং অর্জনের জন্য বহু-শুল্ক বিদ্যুত মিটারের সাথে কাজ করতে পারে, শিল্প ও বাণিজ্যিক শক্তি সঞ্চয় ব্যবস্থা এবং ব্যাটারি সোয়াপিং স্টেশনগুলির জন্য ব্যাপক নিরাপত্তা এবং শক্তি ব্যবস্থাপনা সহায়তা প্রদান করে৷
নতুন শক্তি শিল্পে ক্রমাগত আপগ্রেডের প্রেক্ষাপটে, Acrel উদ্ভাবনের উপর ফোকাস করতে থাকবে এবং তার নতুন শক্তি সমর্থনকারী যন্ত্র প্রযুক্তি এবং পণ্য ব্যবস্থাকে আরও উন্নত করবে। কোম্পানির লক্ষ্য আরও দক্ষ, বুদ্ধিমান, এবং নির্ভরযোগ্য প্রদান করা বিদ্যুৎ পরিমাপ solutions বাণিজ্যিক এবং শিল্প শক্তি সঞ্চয়স্থান, ব্যাটারি সোয়াপিং স্টেশন এবং পরিবারের ফটোভোলটাইক স্টোরেজ অ্যাপ্লিকেশনের জন্য, নতুন শক্তি শিল্পের উচ্চ-মানের উন্নয়নে সহায়তা করে৷
